By Monolithic Power Systems 1522

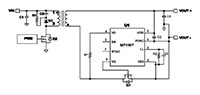
MPS's MP6907 is a low-drop diode emulator controller IC that, when combined with an external MOSFET, can replace Schottky diodes in high-efficiency flyback converters. The MP6907 regulates the forward drop of an external switch to about 70 mV, which switches off once the voltage becomes negative. It also provides a SYNC interface to receive an external signal to shut down the gate driver for reliable continuous conduction mode (CCM) operation. A programmable light-load sleep mode can reduce the IC's quiescent current to ~150 μA. The MP6907 is available in compact SOIC-8 and TSOT23-6 packages.